设为首页
|
加入收藏
欢迎访问浙江环质环境检测科技有限公司
首页
关于环质
公司概况
企业文化
荣誉资质
实验室设施
公司环境
新闻中心
公司新闻
行业新闻
服务项目
环境监测服务
检测流程
报告公示
人才招聘
公开招聘公告
联系我们
新闻中心
公司新闻
行业新闻
资讯搜索
关 键 词:
行业新闻
当前位置:
首页
> 行业新闻
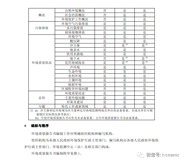
环境质量报告书编写技术规范
发布者: 网站管理员 发布时间: 2020-06-08
转自:生态环境部官网
公司地址:绍兴滨海新城花宫道8号国家级检测试验基地内
公司电话:0575-89295232/400-188-5060 | 公司传真:0575-89295232 版权所有:浙江环质环境检测科技有限公司 |
浙ICP备17015202号-1
|
浙公网安备33868282881485
| 技术支持:
海马科技
QQ在线咨询
咨询热线1
400-188-5060
咨询热线2
0575-89295232